2CBR 410 25 SM
Código: 005410
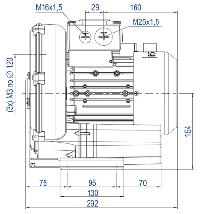
Código
005.410
Modelo
2CBR 410 25 SM
Tipo
Mono Estágio
Motor Elétrico
1,3 kW, 1,74 cv, Monofásico , 127/230 Volts, 16,6/8,3 Ampéres, 50 / 60 Hz
Vácuo Máx.
1.800 mmCA
Pressão Máx.
1.900 mmCA
Vazão Máx.
3,15 m³/min
Pressão Sonora
64 dB(a)
Peso bruto / Peso líquido
20/18 kg
Medida Embalagem Alt x Larg x Prof
35x35x35cm
*Contra defeitos/serviços realizados