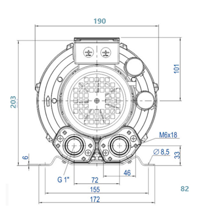
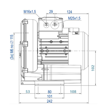
2CBR 010 15 SM
Código: 001010
Código
001.010
Modelo
2CBR 010 15 SM
Tipo
Mono Estágio
Motor Elétrico
0,23 kW, 0,30 cv, Monofásico , 127 / 230 Volts, 1,7 / 1,5 Ampéres, 50 / 60 Hz
Vácuo Máx.
900 mmCA
Pressão Máx.
1.000 mmCA
Vazão Máx.
1,42 m³/min
Pressão Sonora
48 dB(a)
Peso bruto / Peso líquido
8/6 kg
Medida Embalagem Alt x Larg x Prof
35x35x35cm
*Contra defeitos/serviços realizados