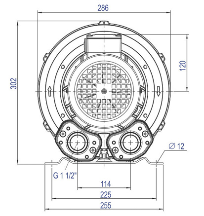
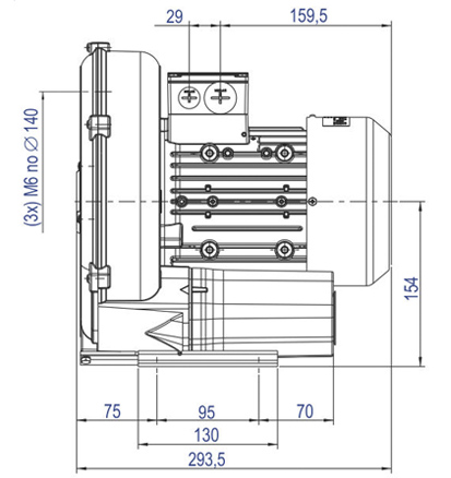
2CBR 410 26 ST
Código: 009410
Código
009.410
Modelo
2CBR 410 26 ST
Tipo
Mono Estágio
Motor Elétrico
1,3kW, 1,74 cv, Trifásico , 220-290D/380-500Y Volts, 4,5/2,6 Ampéres, 50 / 60 Hz
Vácuo Máx.
2.100 mmCA
Pressão Máx.
2.000 mmCA
Vazão Máx.
3,16 m³/min
Pressão Sonora
64 dB(a)
Peso bruto / Peso líquido
20/18 kg
Medida Embalagem Alt x Larg x Prof
35x35x35cm
*Contra defeitos/serviços realizados