2CBR 510 36 ST
Código: 011510
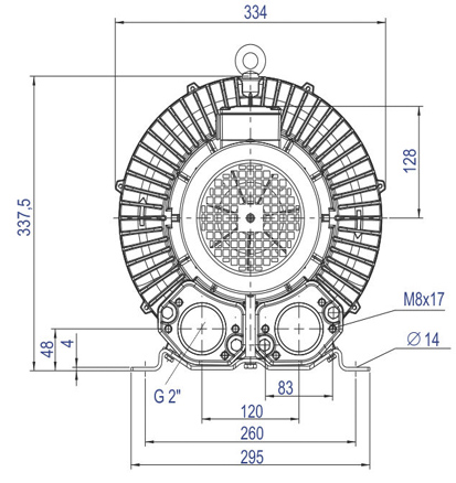
Código
011.510
Modelo
2CBR 510 36 ST
Tipo
Mono Estágio
Motor Elétrico
2,55kW, 3,42 cv, Trifásico, 220-290D/380-500Y Volts, 8,1/4,6 Ampéres, 50 / 60 Hz
Vácuo Máx.
2.600 mmCA
Pressão Máx.
2.7000 mmCA
Vazão Máx.
4,25 m³/min
Pressão Sonora
70 dB(a)
Peso bruto / Peso líquido
31/29 kg
Medida Embalagem Alt x Larg x Prof
39x41x41cm
*Contra defeitos/serviços realizados