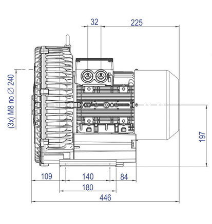
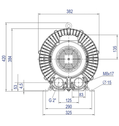
2CBR 710 26 ST
Código: 012710
Código
012.710
Modelo
2CBR 710 26 ST
Tipo
Mono Estágio
Motor Elétrico
3,45kW, 4,60 cv, Trifásico, 220-290D/380-500Y Volts, 10,8/6,2 Ampéres, 50 / 60 Hz
Vácuo Máx.
2.300 mmCA
Pressão Máx.
2.2000 mmCA
Vazão Máx.
6,25 m³/min
Pressão Sonora
72 dB(a)
Peso bruto / Peso líquido
47/46 kg
Medida Embalagem Alt x Larg x Prof
48x46x57cm
*Contra defeitos/serviços realizados