2CBR 810 16 ST
Código: 015810
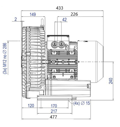
Código
015.810
Modelo
2CBR 810 16 ST
Tipo
Mono Estágio
Motor Elétrico
6,3kW, 8,45 cv, Trifásico, 220-290D/380-500Y Volts, 19,0/11,0 Ampéres, 50 / 60 Hz
Vácuo Máx.
3.000 mmCA
Pressão Máx.
2.8000 mmCA
Vazão Máx.
10,3 m³/min
Pressão Sonora
74 dB(a)
Peso bruto / Peso líquido
67/63 kg
Medida Embalagem Alt x Larg x Prof
55x52x67cm
*Contra defeitos/serviços realizados