2CBR 520 46 DT
Código: 020520
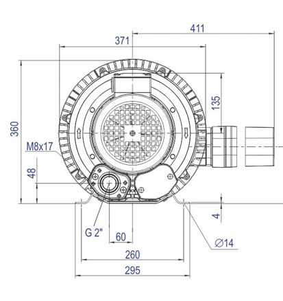
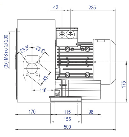
Código
020.520
Modelo
2CBR 520 46 DT
Tipo
Duplo Estágio
Motor Elétrico
3,45kW, 4,63 cv, Trifásico, 220-290D/380-500Y Volts, 10,8/6,2 Ampéres, 50 / 60 Hz
Vácuo Máx.
3.600 mmCA
Pressão Máx.
3.400 mmCA
Vazão Máx.
4,58 m³/min
Pressão Sonora
74 dB(a)
Peso líquido
40 kg
*Contra defeitos/serviços realizados