4CBR 610 36 ST
Código: 027610
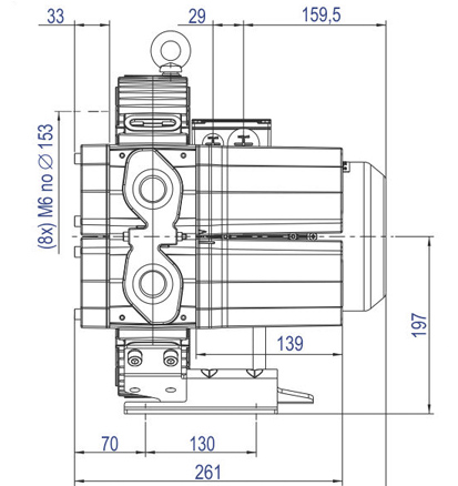
Código
027.610
Modelo
4CBR 610 36 ST
Tipo
Simples Estágio
Motor Elétrico
3,80kW, 5,10cv, Trifásico, 220-275D/380-480Y Volts 14,2/8,2 Ampéres, 50 / 60 Hz
Vácuo Máx.
3.875 mmCA
Pressão Máx.
5.400 mmCA
Vazão Máx.
3,25 m³/min
Pressão Sonora
71 dB(a)
Peso líquido
35,0 kg
*Contra defeitos/serviços realizados