4CBR 530 86 TT
Código: 029530
Código
029.530
Modelo
4CBR 530 86 TT
Tipo
Triplo Estágio
Motor Elétrico
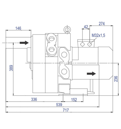
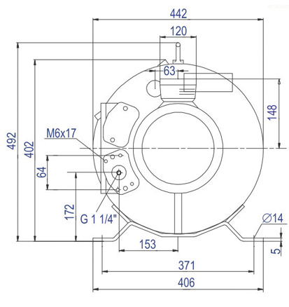
6,3kW, 8,45cv, Trifásico, 220-275D/380-480Y Volts 23,0/13,3 Ampéres, 50/60 Hz
Vácuo Máx.
6.400 mmCA
Pressão Máx.
10.300 mmCA
Vazão Máx.
2,40 m³/min
Pressão Sonora
73 dB(a)
Peso líquido
68,0 kg
*Contra defeitos/serviços realizados